
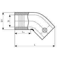
Терморезисторный отвод 45 °

Отвод 45 с закладным электронагревателем SDR 11, PE100, 10 bar газ, 16 bar вода.
Терморезисторные фитинги выполнены из PE-HD и могутсвариваться с напорными трубами. Для воды - максимальное допустимоерабочее давление 16 бар, для газа - 10 бар.
.jpg)
| SAB | Trans Quadro | |||
| D [mm] | каталожный номер | L[mm] | каталожный номер | L[mm] |
| 32 40 50 63 75 90 110 125 160 180 | 8024032000 8024040000 8024050000 8024063000 8024075000 8024090000 8024110000 8024125000 8024160000 8024180000 | 42 52 63 68 82 97 112 120 150 160 | 04E.TQ.KE32/45.11 04E.TQ.KE40/45.11 04E.TQ.KE50/45.11 04E.TQ.KE63/45.11 04E.TQ.KE75/45.11 04E.TQ.KE90/45.11 04E.TQ.KE110/45.11 04E.TQ.KE125/45.11 04E.TQ.KE160/45.11 | 109 110 125 140 182 200 223 231 295 |
