
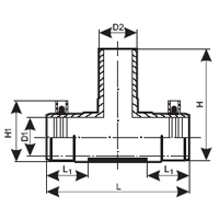
Терморезисторный тройник равнопроходный

Тройник равнопроходный с закладным электронагревателем SDR 11, PE100, 10 bar газ, 16 bar вода.
Терморезисторные фитинги выполнены из PE-HD и могут свариваться с напорными трубами. Для воды - максимальное допустимоерабочее давление 16 бар, для газа - 10 бар.

Клемы TE25-TE63 расположены вдоль оси отвода.
| SAB | TransQuadro | |||
| D1/D2 [mm] | каталожный номер | L[mm] | каталожный номер | L[mm] |
| 25/25 32/32 40/40 50/50 63/63 75/75 90/90 110/110 125/125 140/140 160/160 180/180 | 8027025000 8027032000 8027040000 8027050000 8027063000 8027075000 8027090000 8027110000 8027125000 8027160000 8027180000 | 50 59 66 74 88 94 104 123 132 159 171 | 05E.TQ.TE25.11 05E.TQ.TE32.11 05E.TQ.TE40.11 05E.TQ.TE50.11 05E.TQ.TE63.11 05E.TQ.TE75.11 05E.TQ.TE90.11 05E.TQ.TE110.11 05E.TQ.TE125.11 05E.TQ.TE140.11 05E.TQ.TE160.11 | 106 106 111 153 160 194 223 242 275 305 325 |

