
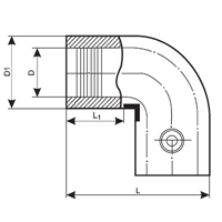
Терморезисторный отвод 90 °

Отвод 900 с закладным электронагревателем SDR 11, PE100, 10 bar газ, 16 bar вода.
Терморезисторные фитинги выполнены из PE-HD и могут свариваться с напорными трубами. Для воды - максимальное допустимое рабочее давление 16 бар, для газа - 10 бар.

| SAB | TransQuadro | |||
| D [mm] | каталожный номер | L [mm] | каталожный номер | L [mm] |
| 25 32 40 50 63 75 90 110 125 140 160 180 | 8025025000 8025032000 8025040000 8025050000 8025063000 8025075000 8025090000 8025110000 8025125000 8025160000 8025180000 | 52 57 68 77 88 91 122 140 152 200 213 | 03E.TQ.KE25/90.11 03E.TQ.KE32/90.11 03E.TQ.KE40/90.11 03E.TQ.KE50/90.11 03E.TQ.KE63/90.11 03E.TQ.KE75/90.11 03E.TQ.KE90/90.11 03E.TQ.KE110/90.11 03E.TQ.KE125/90.11 03E.TQ.KE140/90.11 03E.TQ.KE160/90.11 | 81 81 112 116 125 160 167 200 230 238 272 |
