
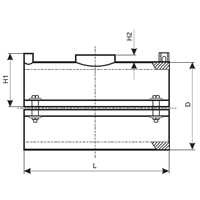
Седло ремонтное терморезисторное

Седло ремонтное с закладным электронагревателем.
Терморезисторные фитинги TRANS-QUADRO выполнены из PE-HD и могутсвариваться с напорными трубами. Для воды - максимальное допустимоерабочее давление 16 бар, для газа - 10 бар.

| код | каталожный номер | D [mm] | L[mm] | H1 [mm] |
| OSN 63 OSN 75 OSN 90 OSN 110 OSN 160 | 09E.TQ.OSN63.11 09E.TQ.OSN75.11 09E.TQ.OSN90.11 09E.TQ.OSN110.11 09E.TQ.OSN160.11 | 63 75 90 110 160 | 118 118 127 126 144 | 60 61 66 73 64 |
