
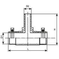
Терморезисторный тройник неравнопроходный

Тройник неравнопроходный с закладным электронагревателем.
Терморезисторные фитинги TRANS-QUADRO выполнены из PE-HD и могутсвариваться с напорными трубами. Для воды - максимальное допустимоерабочее давление 16 бар, для газа - 10 бар.

Клемы TE32/25-TE63/40 расположены вдоль оси отвода.
| код | каталожный номер | D1/D2 [mm] | L[mm] | H[mm] |
| TE 32/25 TE 40/32 TE 50/32 TE 63/32 TE 63/40 TE 75/50 TE 75/63 TE 90/63 TE 90/75 TE 110/63 TE 110/75 TE 110/90 TE 125/63 TE 125/75 TE 125/90 TE 125/110 TE 140/63 TE 140/75 TE 140/90 TE 140/110 TE 140/125 TE 160/63 TE 160/75 TE 160/90 TE 160/110 TE 160/125 TE 160/140 | 05E.TQ.TE32/25.11 05E.TQ.TE40/32.11 05E.TQ.TE50/32.11 05E.TQ.TE63/32.11 05E.TQ.TE63/40.11 05E.TQ.TE75/50.11 05E.TQ.TE75/63.11 05E.TQ.TE90/63.11 05E.TQ.TE90/75.11 05E.TQ.TE110/63.11 05E.TQ.TE110/75.11 05E.TQ.TE110/90.11 05E.TQ.TE125/63.11 05E.TQ.TE125/75.11 05E.TQ.TE125/90.11 05E.TQ.TE125/110.11 05E.TQ.TE140/63.11 05E.TQ.TE140/75.11 05E.TQ.TE140/90.11 05E.TQ.TE140/110.11 05E.TQ.TE140/125.11 05E.TQ.TE160/63.11 05E.TQ.TE160/75.11 05E.TQ.TE160/90.11 05E.TQ.TE160/110.11 05E.TQ.TE160/125.11 05E.TQ.TE160/140.11 | 32/25 40/32 50/32 63/32 63/40 75/50 75/63 90/63 90/75 110/63 110/75 110/90 125/63 125/75 125/90 125/110 140/63 140/75 140/90 140/110 140/125 160/63 160/75 160/90 160/110 160/125 160/140 | 106 111 153 160 160 194 194 223 223 242 242 242 275 275 275 275 305 305 305 305 305 325 325 325 325 325 325 | 98 110 125 152 152 168 175 202 202 226 228 228 270 270 270 270 295 295 295 295 295 315 315 315 315 315 315 |

